Factory Price 0.75kw - 500kw Variable Frequency Inverter AC Drive VFD Veichi Frequency Inverter

Still deciding? Get samples of $ !
Request Sample

Product Description

Basic Information
Principle of Work
Vector Control Transducer
Switch Mode
High Carrier Frequency PWM Control
Main Circuit Type
Voltage/Current
Supply Voltage
Low Voltage Variable-Frequency Drive
Link of Transformation
AC-DC-AC VFD
Function
Simple Type, Constant Torque Universal
Production Capacity
61,000 PCS/Year
HS Code
8504409999
Phase
3 Phase Inverter
Product Description
Variable Frequency Inverter

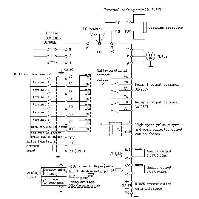
This high-performance frequency inverter adopts field-oriented vector control technology, compatible with asynchronous and synchronous motor control. It features a book-style narrow body design, high reliability, and a wealth of expansion interfaces.

🔥 Main Features
Inverter Features Output Performance
  • Three control modes: without PG vector (SVC), V/F control, and torque control.
  • Starting torque: 0.5Hz/150% (SVC).
  • Built-in DC reactor (18.5kW-90kW) to improve input power factor.
  • Internal brake unit in 0.75-15kW specifications for quick stops.
  • 16-steps simple PLC and PID control integration.
  • Jump frequency control to prevent mechanical resonance.
  • Instantaneous power failure non-outage capability.
Technical Dimensions & Sales Points
Technical Drawing Dimensions Inverter Unit
Ref Product Sales Advantages
1Integrated with sensor-less flux vector control, standard V/F control.
2Rapid dynamic response to acceleration/deceleration and braking.
3Outstanding speed regulation to load fluctuation.
4Perfect protection: over-temperature, under-voltage, short circuit, etc.
5Automatic current and voltage limiting for stable operation.
Premium Components
Internal Components
IGBTSTARPOWER / INFINEON / FUJI
FANPELKO / NIDEC
CAPACITORSRUBYCON / JIANGHAI
ELECTRONICDELTA
Manufacturing & Certification
Process Workshop
Certificate 1 Certificate 2
Frequently Asked Questions
Are samples available for quality testing?
Yes, sample orders are available for quality checks and market testing.
What is the typical delivery timeframe?
Small orders usually take 3-5 working days, while large batch orders take approximately 10-15 days.
What is the warranty period for the inverters?
We offer a standard 18-month warranty from the date of purchase.
How do you handle quality control?
Every product is fully assembled and carefully tested before packing. Our factory is audited and approved to ISO9001 and CE standards.
Which payment methods are accepted?
We accept various payment methods including T/T, L/C, Western Union, PayPal, and Cash.
Do you have products in stock?
Standard models are typically kept in stock. Special configurations or large orders are produced according to requirements.

Related Products